" />
" />
天行体育·中国官方网站 - 产品展示 - 天行体育-天行体育
中文版
English
首页
天行体育简介
产品展示
新闻中心
应用领域
人才招聘
联系我们
1
2
3
4
5
天行体育简介
产品展示
天行体育
驱动器
证书
新闻中心
应用领域
人才招聘
联系我们
您所在位置:
首页
> 天行体育
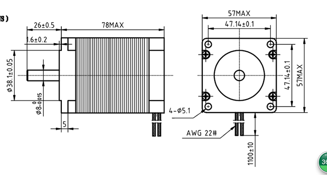
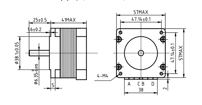
57系列
点击率:4341 更新时间:2016/3/29 16:16:09
上一页:
60系列
下一页:
42系列